无锡市鼎丰压力容器有限公司专业制造电加热反应釜,不锈钢反应釜
网站首页
|
产品展示
|
PC星空游戏平台
销售热线
17351688858
网站首页
企业概况
关于我们
资质荣誉
产品中心
反应釜、不锈钢反应釜系列
螺旋板式换热器、列管式冷凝器系列
薄膜蒸发器、刮板式薄膜蒸发器系列
pc星空游戏平台官网
pc星空游戏网
回收塔、储罐、其它化工设备系列
不锈钢反应釜
新闻资讯
企业能力
技术装备
生产现场
工艺流程
pc星空游戏
PC星空游戏平台
反应釜、不锈钢反应釜系列
不锈钢反应釜
树脂反应釜 酚醛树脂反应釜
外盘管反应釜
蒸汽加热、导热油加热反应釜
电加热反应釜
远红外加热反应釜
多功能分散釜
螺旋板式换热器、列管式冷凝器系列
螺旋板换热器 螺旋板式换热器
列管冷凝器 列管式冷凝器
列管换热器 列管式换热器
容积式换热器 浮头式换热器
气—水换热器
薄膜蒸发器、刮板式薄膜蒸发器系列
薄膜蒸发器
刮板薄膜蒸发器 刮板式薄膜蒸发器
三效节能外循环真空浓缩器
外加热式真空蒸发器
pc星空游戏平台官网
分子蒸馏设备
短程分子蒸馏设备
pc星空游戏网
结晶(加热)切片机
真空耙式干燥器
ZJG型内加热搅拌真空干燥机
发酵提取过滤设备
回收塔、储罐、其它化工设备系列
精馏回收塔
酒精回收塔
塔设备
不锈钢储罐(碳钢)储罐、槽车系列
蒸压釜、硫化罐、玻璃釜
ZFQ、ZF型蒸汽发生器
热门新闻
根据什么来确定不锈钢反应釜的容量和尺寸?
了解反应机理有助于提高反应釜的反应速率
关于不锈钢反应釜的参数控制介绍
了解一下反应釜的运行状态
搅拌速度过快对不锈钢反应釜的影响
谈谈反应釜的产物性质包括哪些内容?
哪些因素会影响不锈钢反应釜的反应速率
了解一下反应釜的运行参数包括哪些?
反应釜的结构强度取决于哪些因素?
如何保障不锈钢反应釜的密封性能
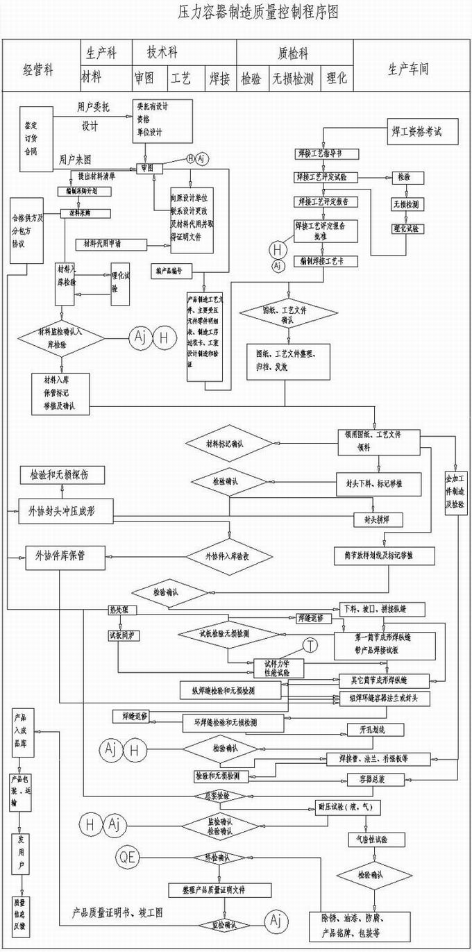
工艺流程
当前位置:
首页
>
企业能力
>
工艺流程
>
map